Виброопоры регулируемые
Виброопоры LME 40/80/120/160 – отличное решение для снижения разрушительных воздействий на производстве. Они позволяют справляться с шумом и вредными вибрациями. Рабочая модель виброопоры-амортизатора устанавливается без сооружения специального фундамента. Рабочая высота оборудования регулируется благодаря специальной конструкции упора. Антивибрационные опоры применяются к различному оборудованию. Основная сфера применения – промышленные станки и прессы. Реализуется как активная, так и пассивная виброизоляция.
Основные преимущества наших виброопор :
- прочная конструкция;
- бессмотровое размещение оборудования (без фундамента);
- точное нивелирование;
- виброизоляция;
- шумоизоляция
Конструкция виброопоры :
- защитная крышка и пластина нивелирования из стали;
- резиновый демпфер. Резина: нитрильная (NBR)
Нивелирование :
- путём фиксации рамы оборудования между двумя гайками на всей высоте резьбы виброопоры; в зависимости от модели диапазон нивелирования составляет 38–138 мм.
- путём «тонкой регулировки» при установке рамы оборудования непосредственно на опорную металлическую крышку виброопоры; высота «тонкого» нивелирования в зависимости от модели составляет 5–12 мм.
При этом путём установки подкладок между рамой оборудования и опорной металлической крышкой виброопоры можно выполнить регулировку по всей высоте резьбы виброопоры, что в зависимости от модели составляет 38–138 мм.
Собственная частота :
25–10 Гц
Если у вас возникают какие-либо вопросы – обращайтесь к нашим специалистам. Наши консультанты обязательно помогут вам!

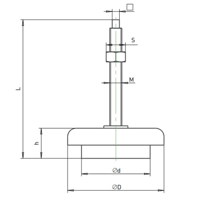
Основные характеристики и размеры виброопор LME 40/80/120/160 приведены в таблице ниже :
| Диаметр металлической крышки виброопоры ØD, мм | Диаметр резиновой пятки Ød, мм | H, мм | Максимальная высота L, мм | Резьба G | Регулировочный квадрат □, мм | Диапазон тонкой регулировки регулировочным квадратом Ni, мм | Гайка S, мм | Максимальная нагрузка, кг | Деформация при макс. нагрузке, мм |
| 40 | 27 | 15 | 38 | M8 | 5 | 5 | 12 | 80 | 1,4 |
| 80 | 57 | 25 | 115 | M10 | 6 | 8 | 16 | 400 | 2,8 |
| 120 | 87 | 31 | 115 | M12 | 7 | 12 | 17 | 1200 | 3,2 |
| 160 | 126 | 36 | 138 | M16 | 10 | 12 | 22 | 3000 | 3,3 |